00C0838 005, PILOT CONTROL LINES, LIUGONG PARTS CATALOGUES

Catagory : Liugong loader parts catalogues, Liugong loader parts

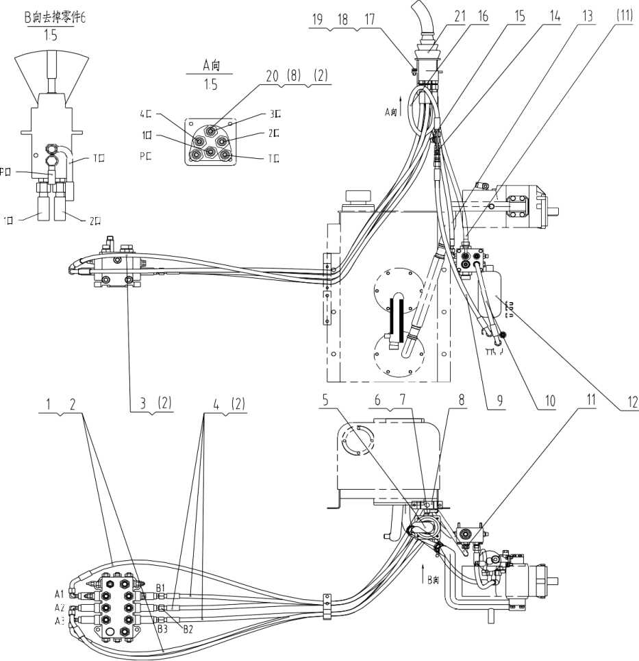
| 00C0838 005 先导控制油路 PILOT CONTROL LINES | |||||
|---|---|---|---|---|---|
| 件号 ITEM |
部件号 PART NO. | 版本 VER |
零件名称 | PART NAME | 数量 Q'TY |
| 1 | 05C0998 | 000 | 软管总成 | HOSE AS | 2 |
| 2 | 12B0284 | 000 | O 形圈 | O-RING | 20 |
| 3 | 05C0999 | 000 | 软管总成 | HOSE AS | 1 |
| 4 | 05C1000 | 000 | 软管总成 | HOSE AS | 3 |
| 5 | 12C0881 | 000 | 先导阀 | PILOT VALVE | 1 |
| 6 | 00A2317 | 000 | 铰接螺栓 | BANJO BOLT | 2 |
| 7 | 06B0117 | 000 | 垫圈 | WASHER | 12 |
| 8 | 12C0879 | 000 | 先导阀 | PILOT VALVE | 1 |
| 9 | 05C1460 | 001 | 软管总成 | HOSE AS | 1 |
| 10 | 05C1659 | 000 | 软管总成 | HOSE AS | 1 |
| 11 | 05C1464 | 001 | 软管总成 | HOSE AS | 1 |
| PILOT OIL | |||||
| 12 | 12C1254 | 001 | 先导供油阀总成 | SUPPLY VALVE | 1 |
| AS | |||||
| 13 | 05C1461 | 000 | 软管总成 | HOSE AS | 1 |
| 14 | 12C1266 | 001 | 球阀总成 | BALL VALVE | 1 |
| 15 | 05C1660 | 000 | 软管总成 | HOSE AS | 1 |
| 16 | 05C1462 | 000 | 软管总成 | HOSE AS | 1 |
| 17 | 00B0010 | 000 | 螺栓 | BOLT | 6 |
| 18 | 06B0346 | 000 | 垫圈 | WASHER | 6 |
| 19 | 03B0036 | 000 | 螺母 | NUT | 6 |
| 20 | 00A1728 | 000 | 接头 | CONNECTOR | 8 |
| 21 | 86A1692 | 000 | 橡胶套 | BOOT | 1 |
Catagory : Liugong loader parts catalogues, Liugong loader parts



