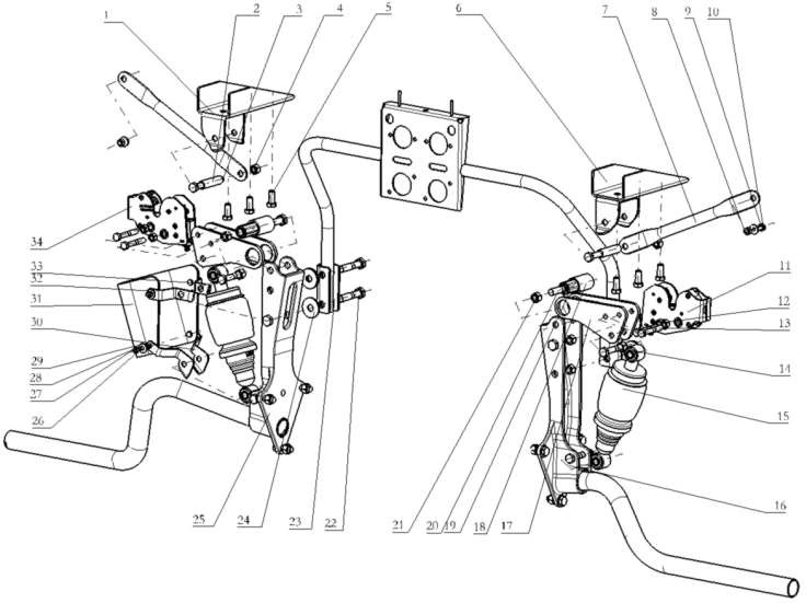
| NO | Part.No | Name | Name | Quantity |
| 1 | DZ15221440074 | 左锁柱支架总成 | Left lockpin bracket | 1 |
| 2 | DZ15221440094 | 套筒 | Silent block | 2 |
| 3 | Q151B14110 | 六角头螺栓-细牙 | Hex bolt | 2 |
| 4 | Q33214 | 2 型全金属六角锁紧螺母 | Hex lock nut | 12 |
| 5 | Q151B1450 | 六角头螺栓-细牙 | Hex bolt | 6 |
| 6 | DZ15221440075 | 右锁柱支架总成 | Right lockpin bracket | 1 |
| 7 | DZ15221442001 | 空气后悬地板连接支架 | Connecting bracket | 2 |
| 8 | Q33208 | 2 型全金属六角锁紧螺母 | Hex lock nut | 2 |
| 9 | Q40208 | 大垫圈 | Big gasket | 2 |
| 10 | Q150B0820 | 六角头螺栓 | Hex bolt | 2 |
| 11 | DZ13241440085 | 驾驶室锁止 | Cab lock | 1 |
| 12 | Q33412 | 1 型全金属六角锁紧螺母 | Hex lock nut | 4 |
| 13 | Q150B1275 | 六角头螺栓 | Hex bolt | 4 |
| 14 | Q151B1480 | 六角头螺栓-细牙 | Hex bolt | 4 |
| 15 | DZ15221440300 | 空气弹簧 | Spring strut | 2 |
| 16 | DZ15221442419 | 后悬右支架总成 | Right cab support bracket | 1 |
| 17 | DZ15221440091 | 连接板 | Connecting plate | 4 |
| 18 | DZ15221440092 | 套筒 | Silent block | 2 |
| 19 | DZ15221440093 | 橡胶轴套 | Rubber sleeve | 2 |
| 20 | Q151B16100 | 六角头螺栓-细牙 | Hex bolt | 2 |
| 21 | Q33216 | 2 型全金属六角锁紧螺母 | Hex lock nut | 2 |
| 22 | Q151B1675 | 六角头螺栓-细牙 | Hex bolt | 4 |
| 24 | Q40216 | 大垫圈 | Big gasket | 8 |
| 25 | DZ15221442422 | 后悬左支架总成 | Left cab support bracket | 1 |
| 26 | Q150B0820 | 六角头螺栓 | Hex bolt | 4 |
| 27 | Q33208 | 2 型全金属六角锁紧螺母 | Hex lock nut | 4 |
| 28 | Q40208 | 大垫圈 | Big gasket | 4 |
| 29 | DZ15221440076 | 下支架一 | Lower plate one | 1 |
| 30 | DZ15221440077 | 下支架二 | Lower plate two | 1 |
| 31 | DZ15221440098 | 上支架一 | Upper plate one | 1 |
| 32 | DZ15221440099 | 上支架二 | Upper plate two | 1 |
| 33 | DZ15221440097 | 隔热罩 | Adiabatic mantle | 1 |
| 34 | DZ13241440090 | 无接头驾驶室锁止 | Cab lock | 1 |
CABIN LOCK MECHANISM, SHACMAN PARTS CATALOGS
HOME CATALOG > SHACMAN PARTS CATALOGS > SHACMAN CABIN PARTS CATALOGS >




