SINOTRUK WD615 EURO-II CATALOG
HOME CATALOG > SINOTRUK HOWO TRUCK PARTS CATALOG > SINOTRUK WD615 EURO-II CATALOG >
-
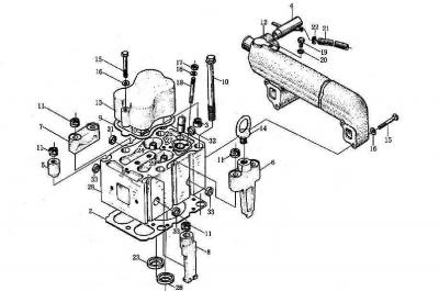
COUPLER, SINOTRUK HOWO SPARE PARTS CATALOG
-
CYLINDER HEAD, SINOTRUK HOWO SPARE PARTS CATALOG
-
CYLINDER BODY, HOWO SPARE PARTS CATALOG
-
CRANKSHAFT & FLYWHEEL, HOWO SPARE PARTS CATALOG
-
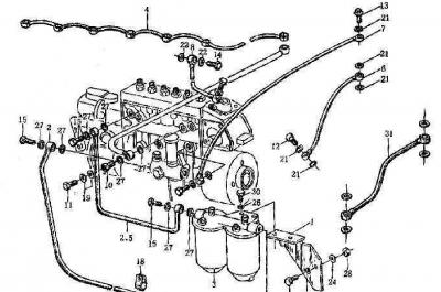
FUEL PIPE, SINOTRUK HOWO SPARE PARTS CATALOG
-
WATER PUMP & VENTILATOR, SINOTRUK PARTS CATALOG
-
WATER PUMP, HOWO SPARE PARTS CATALOG
-
OIL PAN, HOWO SPARE PARTS CATALOG
-
OIL-WATER SEPARATOR, HOWO SPARE PARTS CATALOG
-
TENSHIONING WHEEL, HOWO CATALOG



